首页 > 产品大全 > 智能功率模块IPM驱动电路的设计原理与集成电路实现

智能功率模块IPM驱动电路的设计原理与集成电路实现

智能功率模块IPM驱动电路的设计原理与集成电路实现

智能功率模块(IPM)是现代电力电子系统的核心组件,它将功率器件、驱动电路和保护功能高度集成于单一封装中。其驱动电路的设计直接关系到模块的效率、可靠性与应用性能。本文将探讨IPM驱动电路的关键设计要素及其在集成电路层面的实现策略。

一、IPM驱动电路的核心设计要求

IPM驱动电路的核心任务是为内部的绝缘栅双极型晶体管(IGBT)提供精确、快速且隔离的控制信号。设计需满足以下关键要求:

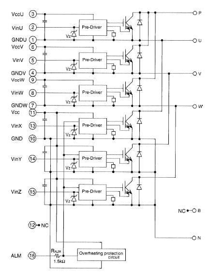
  1. 信号隔离与电平转换:控制侧(低压微处理器)与功率侧(高压主回路)必须实现电气隔离,通常采用光耦或磁耦隔离技术,同时完成信号电平的匹配。
  2. 驱动能力与开关速度优化:驱动电路需提供足够的拉/灌电流,以快速对IGBT的栅极电容进行充放电,从而减少开关损耗。但过快的开关速度会引发过高的电压电流应力(dv/dt, di/dt)和电磁干扰(EMI),因此需要在速度与应力间取得平衡。
  3. 完善的内置保护功能:这是IPM区别于分立方案的核心优势。驱动集成电路必须集成实时故障检测与保护,包括短路保护(SC)、过流保护(OC)、欠压锁定(UVLO)以及过热保护(OT)。一旦检测到故障,能自动关断IGBT并向上位机反馈故障信号。

二、驱动集成电路的关键功能模块设计

在芯片层面,一个典型的IPM驱动IC包含以下功能模块:

  1. 输入接口与电平移位:接收来自MCU的PWM信号,通过隔离屏障传输。采用高速、高共模抑制比(CMRR)的电平移位电路是关键,以确保信号在高压浮动地参考下的完整性。
  2. 栅极驱动输出级:通常采用推挽(Totem-pole)结构,提供瞬态大电流能力。设计需考虑栅极电阻(内外部)的选择,以控制开关速度。高级设计会集成有源米勒钳位功能,防止在关断期间因米勒电容效应导致的误导通。
  3. 保护电路
  • 过流/短路检测:通常通过检测IGBT的饱和压降(Vce(sat))或使用外部分流电阻采样电流。检测电路需具有高响应速度(通常在微秒级内动作)和抗干扰能力。
  • 欠压锁定(UVLO):持续监测驱动电源电压(Vcc),当电压低于安全阈值时,强制关闭驱动输出,防止IGBT因驱动不足工作在线性区而过热损坏。
  • 故障逻辑与软关断:检测到故障后,保护逻辑会立即启动“软关断”过程,即控制栅压以较慢速率下降,抑制关断过电压尖峰,随后将故障信号锁存并反馈给控制器。
  1. 隔离电源集成趋势:最先进的IPM驱动IC正朝着高度集成化发展,有些方案已将DC-DC隔离电源控制器甚至变压器集成于同一封装或芯片内,进一步简化外围电路。

三、设计挑战与优化方向

  1. 抗干扰与可靠性:在高dv/dt和di/dt的恶劣噪声环境下,确保信号传输的稳定性和保护电路不误动作是最大挑战。这需要在版图设计上精心规划,采用隔离环、屏蔽层、差分信号传输等技术。
  2. 功耗与热管理:驱动IC自身功耗,特别是隔离部分的功耗,需要优化。驱动电路设计需考虑模块的整体热布局,确保散热均衡。
  3. 智能化与诊断功能:未来驱动IC将集成更多诊断功能,如栅极健康监测、结温估算、寿命预测等,为实现预测性维护提供数据支持。

###

智能功率模块驱动电路的设计是一个多目标优化的系统工程,它深度融合了功率器件特性、高压隔离技术、模拟/混合信号集成电路设计以及系统级保护策略。随着宽禁带半导体(SiC, GaN)器件的应用,对驱动速度、精度和集成度提出了更高要求,推动着驱动IC技术向更高性能、更智能、更可靠的方向持续演进。成功的IPM驱动集成电路设计,是确保整个电力电子装置高效、安全、稳定运行的技术基石。

如若转载,请注明出处:http://www.jz876.com/product/8.html

更新时间:2026-05-08 16:36:59